
Как правильно выбрать видеодомофон
Видеодомофон давно перестал быть диковинкой. В наше неспокойное время проблема безопасности зачастую стоит на первом месте, поэтому видеодомофоны можно встретить в квартирах, офисах, дачах, школах, даже в детских садах.
Из чего состоит видеодомофон?
Основными компонентами видеодомофонов являются монитор, вызывная панель, содержащая встроенную видеокамеру, линия связи (2 или 4 проводная), а также дистанционно управляемый замок.
Видеомонитор
Его задача – показывать, что происходит за вашей дверью и осуществлять двустороннюю аудиосвязь с посетителем. Также монитор дает возможность управлять вашим дистанционным замком. Некоторые модели позволяют подключать дополнительные видеокамеры и запоминать изображение нескольких последних посетителей.
Замок
В домофонных системах используются электромеханические и электромагнитные замки, которые можно открывать дистанционно. Замок подбирается индивидуально под каждую дверь в зависимости от условий эксплуатации и поставленной задачи. Электромеханический замок можно открывать ключом и нажатием кнопки на мониторе. При отключении электричества он не откроется, а превратится в обычный механический дверной замок. Электромагнитные же замки закрываются, прижимая с помощью сильного магнитного поля металлическую пластину, закрепленную на двери к замку, установленному на дверной коробке. При отключении питания такой замок автоматически открывается, это соответствует требованиям пожарной безопасности. Обилие моделей отечественных и зарубежных производителей позволит без проблем подобрать необходимый вам замок.
Линия связи
Это те самые провода, по которым передается аудио- и видеосигнал от панели к монитору. Бывает, что к прокладке линии связи относятся пренебрежительно. И напрасно. От того, как будет выполнена линия связи, напрямую будет зависеть качество изображения и звука, а также надежность работы всей системы при любых погодных условиях.
И, наконец, вызывная панель - сердце любой домофонной системы.
В ней расположены видеокамера, динамик и микрофон для связи с посетителем, кнопка вызова. К сожалению, опыт эксплуатации отечественных и импортных вызывных панелей видеодомофонов показал, что многие из них слабо приспособлены к суровым российским реалиям. Жесткие климатические условия, попытки взлома с применением специального инструмента, да и просто неаккуратное обращение часто приводят к тому, что панель преждевременно выходит из строя. Именно поэтому хотелось бы рассказать подробнее о том, как правильно выбрать вызывную панель, которая отвечала бы всем необходимым требованиям.
Не все антивандальные панели одинаково надежны
Сейчас на нашем рынке можно встретить массу так называемых вандалозащищенных и обычных панелей видеодомофонов российского, украинского и корейского производства. Безусловно, у всех есть свои преимущества и недостатки.
С чего начать выбор
Нет, не спешите сразу брать панели в руки и оценивать их работу. Это мы сделаем чуть позже. Сначала откроем сопроводительный документ, который называется «Паспорт». Кстати, серьезные производители, изготавливающие продукцию по конструкторской и технологической документации, такой документ называют «Руководство по эксплуатации». Такой документ содержит более полную информацию для покупателя и оформлен в соответствии с нормами Госстандарта.
Итак, руководство по эксплуатации. Не поленитесь и прочитайте этот документ. Самое главное – вам все должно быть понятно. Изготовитель, не умеющий правильно описать работу своего устройства, – и устройства не знает. Это аксиома, то самое правило без исключений. Прочитали, все поняли, а теперь можно взять в руки и саму панель.
Корпус
Корпус вызывной панели призван защитить электронные компоненты от механических воздействий, попадания влаги и, главное, от кражи. Кроме того, корпус должен вписываться в интерьер. Если вы устанавливаете панель на улице или в помещении, где велик риск кражи и вандализма, – следует выбирать модели в прочном металлическом корпусе. Крепежные винты должны быть защищены металлическими заглушками. Панель с «накладным» креплением обязательно должна иметь козырек, который защищает ее от попадания влаги в отверстия под микрофон и динамик, а встроенную видеокамеру - от прямого попадания солнечных лучей. Если вы устанавливаете вызывную панель рядом с дверью, то для того чтобы посетитель попадал в поле зрения видеокамеры, вызывную панель необходимо развернуть в сторону посетителя. В некоторых моделях специально для этого предусмотрен так называемый клин-кронштейн, с помощью которого вызывная панель разворачивается на 30° и надежно закрепляется.
Также стоит обратить внимание на покрытие корпуса. Обилие красок различной структуры и цвета позволяет подобрать панель на любой вкус. Но следует отдавать предпочтение панелям, покрытым порошковой полиэфирной эмалью. Данное покрытие значительно долговечнее обычных красок и особо устойчиво к механическим повреждениям и влаге.
С обратной стороны корпуса вы увидите выходящие провода или кабели. На качественных изделиях они имеют достаточную гибкость, которая позволит уложить их по любому контуру в любое углубление (а если необходимо то и переложить по-новому). Производители, экономящие на покупателе, ставят жесткие, дешевые кабели и провода. Они ломкие,и пара изгибов при укладке выведет их строя.
Управление замком
Хорошая вызывная панель видеодомофона обязательно содержит встроенное реле для управления замком. Это избавляет вас от необходимости прокладывать дополнительную кабельную линию от монитора. Наличие реле легко обнаружить по двум дополнительным проводам, выходящим из задней крышки панели. Такое реле может коммутировать постоянный ток до 10 А при напряжении 12 В. Если замок питается иным напряжением, то необходимо сделать соответствующую поправку в ту или иную сторону (чем больше напряжение, тем меньше должен быть коммутирующий ток).
Встроенная видеокамера
По своим техническим характеристикам видеокамеры, встраиваемые в вызывные панели, практически идентичны друг другу. Но если вы хотите замаскировать дорогую панель и защитить видеокамеру от вандалов, лучше выбрать видеопанель с камерой «pin-hole», что в переводе с английского означает «отверстие от иглы». Действительно, диаметр отверстия, в которое установлена видеокамера, всего 2 мм. Самая главная часть любой видеокамеры – это приемник света, т.н. матрица ПЗС. Именно она превращает свет в электрический сигнал. На рынке много таких матриц, но, выбирать лучше изделия известных производителей.
Инфракрасная подсветка
Многие вызывные панели оснащены скрытой ИК подсветкой, замаскированной под надпись «CALL». Невидимая человеческому газу ИК подсветка позволяет получать картинку на мониторе даже при полном отсутствии освещения. Дальность действия такой подсветки, как правило, не превышает 1м. Качество подсветки можно определить и визуально. Для этого включите систему при пониженной освещенности или в полной темноте. Если подсветка работает правильно, то во время разговора экран монитора не будет «моргать» в такт голоса. Некачественная подсветка обязательно даст этот неприятный эффект.
Защита от влаги и перепада температур
Так как вызывная панель видеодомофона чаще всего устанавливается на улице перед входом, она подвержена климатическому воздействию. Самый большой, после хулиганов, враг видеодомофона - влага и агрессивные среды (соленый туман, грязь, сера, угарный газ и т.д.). К сожалению, абсолютно герметичных вызывных панелей на сегодняшний день нет. Поэтому особую роль играет степень защищенности электронных компонентов панели. Серьезные производители покрывают все электронные платы двойным или даже тройным слоем специального лака, устойчивого к влаге. Это значительно увеличивает срок службы изделия, даже в очень неблагоприятных условиях. Некоторые фирмы-производители, пытаясь сэкономить, платы лаком не покрывают, а только флюсуют спирто-канифольной смесью (той же, которой и производят пайку). Как правило, такая «защита» работает не более одного года, т.е. на срок гарантии. А потом, как говорится, хоть трава не расти. Все последующие отказы и соответствующий платный ремонт - за счет покупателя. Если вы серьезный потребитель и покупаете панель на длительный срок, то выбирайте только с лаковой защитой, пусть даже она будет чуть дороже нелакированной, или «зафлюсованной». Сравнительные испытания трех аналогичных видеопанелей разных производителей показали, что плата, ничем не защищенная, при воздействии циклического перепада температуры быстро коррозирует и выходит из строя даже в мягком московском климате. Платы в панели, защищенные флюсом на втором цикле (- 25 С° - +60 С°), покрываются инеем и теряют свою работоспособность. Платы, покрытые лаком, в этих сложных условиях сохраняют свою работоспособность даже при перепадах температуры от - 40 С° до + 70 С°.
Гарантия и сертификация
Как и на любое другое технически сложное устройство, на домофон должна даваться гарантия предприятия-изготовителя. Как правило, этот срок может колебаться от 6 до 12 месяцев от даты продажи, что соответствует правилам торговли. Но абсолютно надежных систем не бывает. Даже известные производители не гарантируют стопроцентного качества. Поэтому при выборе панели обратите внимание на раздел «Гарантийные обязательства» в паспорте на изделие. Если в разделе изложено все понятно, а самое главное, указано, куда надо обращаться в случае поломки, то такой производитель действительно дорожит своей репутацией и восстановит (или заменит) изделие без лишних проволочек и формальностей. Хуже, если в паспорте будет сказано, что все вопросы вы должны решать с продавцом. Такая запись автоматически означает, что производитель ни за что ответственности нести не хочет.
Кроме этого, изделия подобного рода должны еще иметь т.н. «сертификат соответствия», выдаваемый специальными испытательными центрами, о чем должна быть сделана отметка в паспорте на изделие, а на самом изделии должен быть нанесен соответствующий значок. Обратите внимание на мелкие цифры и буквы под этим значком. Это кодовое обозначение сертификационного центра, который изделия сертифицировал. Если таких букв и цифр нет, то это «липовый» знак и ничего общего с сертификацией он не имеет.
В заключение вот о чем хотелось бы сказать. В последнее время наши отечественные предприятия, стремясь выйти на мировой рынок, вынуждены играть по их правилам. Не секрет, что мировой рынок переполнен всевозможными товарами, и самой надежной гарантией высококачественного производителя является его сертификация на соответствие международным стандартам серии ISO 9001. Получить заветный сертификат и право наносить такой же «лэйбл» на упаковку и изделие – мечта всех отечественных производителей. Как правило, предприятие, имеющее систему качества по ISO 9001, находятся под контролем международных сертификационных центров и действительно выпускают продукцию мирового уровня. Так что, если вы стоите перед выбором между похожими изделиями, то отдавайте предпочтение тому, на котором есть отметка «Изготовлено в соответствии с ISO 9001». Это гарантия высокого качества.
С чего начинаем?
И так, вы купили видеопанель, монитор, дистанционно управляемый замок и принесли все это домой. Теперь надо приготовить необходимый инструмент и соединительные провода. Из инструментов вам понадобятся отвертки - большая и малая, кусачки электромонтажные, паяльник (лучше низковольтный, до 36 В и мощностью не более 40 Вт) с комплектом флюса и припоя, пинцет и моток изоляции для изолирования соединений. Если предполагается устанавливать видеопанель или монитор на бетонную, или кирпичную панель, то понадобится еще и электродрель с комплектом победитовых и обычных сверл.
Для проверки и настройки всей видеосистемы необходим еще и мультиметр (цифровой или стрелочный). С его помощью вы сможете прозвонить соединения, измерить сопротивление соединительной линии и питающие напряжения.
К соединительной линии нужно отнестись очень серьезно. Как правило, качество изображения и звука во многом зависит именно от этой важной части всей системы видеонаблюдения. Часто покупатели пренебрежительно относятся к «мотку проводов», считая это чем-то второстепенным. Между тем, по оценкам специалистов, 40 процентов всех неисправностей происходит именно из-за плохой линии связи панели и монитора. Провода, в принципе, могут быть любые медные - облуженные и нет, многожильные и одножильные. Сечение каждого проводника должно быть не менее 0,12 мм², на передачу видеосигнала лучше применить т.н. витую пару (это снизит уровень внешних помех и улучшит качество изображения).
Выбираем место для установки
Установка панели видеодомофона
Перед началом работ необходимо определить, как и что будет установлено в вашей системе видеонаблюдения. Естественно, панель видеодомофона необходимо установить снаружи помещения. Лучше всего - перед входом, справа или слева от входной двери на высоте 130-140 см от пола. Конечно, высота может быть и другой, но тогда посетители, чтобы поговорить, должны будут нагибаться к микрофону или вставать на цыпочки. Необходимо учесть, что угол обзора видеоглазка составляет величину около 60 град. И если установка будет произведена неправильно, то на мониторе вы будете видеть только обувь или головные уборы посетителей.
Если размеры коридора или прохода не позволяют поставить видеопанель рядом с дверью, то воспользуйтесь специальным уголком для видеодомофона. Он позволит «развернуть» вашу панель на угол 30-45°, что вполне достаточно для полного обзора перед входом. Такие уголки в комплект поставки не входят, но их можно приобрести отдельно и весьма недорого. Кстати, если в магазине при покупке видеосистемы вам, кроме самой панели домофона, предлагают еще и опции для расширения ее возможностей, то это говорит и в пользу продавцов, и в пользу производителей изделий.
Если есть возможность, то панель видеодомофона лучше «замуровать» в стену, предварительно выдолбив соответствующее углубление. Панель в таком виде будет находиться на одном уровне со стеной, слегка выступая вперед. Это усилит ее «антивандальные» свойства.
Итак, место выбрано. Теперь сверлим в стене отверстия, забиваем пластиковые пробки (они должны быть приложены к комплекту панели) и делаем сквозное отверстие в стене для прокладки соединительного кабеля. Проверим, как панель входит в наше посадочное место. Отверстия должны совпадать с центрами пластиковых пробок, а выход кабеля и проводов должен быть в районе сквозного отверстия.
При установке панели следите, чтобы прямые солнечные лучи не попадали в отверстие объектива. У электронной схемы динамический диапазон значительно уже, чем у человеческого глаза, и поэтому даже небольшая засветка может нарушить качество изображения. Если другого места найти не удалось, то поставьте сверху защитный козырек. Это предотвратит излишнюю засветку от солнечных лучей и вдобавок даст дополнительную защиту от дождя и снега.
Советы по установке:
- старайтесь не устанавливать панель на движущиеся части дверей, дело в том, что при закрывании, происходит ударное воздействие на панель домофона и это в конечном итоге может привести к смещению объектива типа «pin-hole». В прошлый раз мы говорили, что диаметр объектива действительно сравним с размерами иголки и смещение объектива на несколько десятых долей миллиметр, может привести к пропаданию части изображения на экране монитора или полному его исчезновению. Лучше всего панель ставить на твердую и ровную поверхность (чем прочнее – тем лучше);
- не выводите выходной кабель наружу или по наружному косяку двери. В этом случае велика вероятность, что кто-то обрежет кабель и оставит вас без охраны. Об антивандальности в этом случае не может быть и речи;
- не закрепляйте сразу же панель на все винты «насмерть». Не исключено, что в процессе прокладки кабеля и установки монитора потребуется что-то изменить;
- во время установки старайтесь не повредить контрольную пломбу на задней части панели. Если вы ее нарушите, то могут возникнуть проблемы при бесплатном гарантийном ремонте в сервис-центре.
Установка видеомонитора
Сам видеомонитор, конечно, устанавливается внутри помещения. В данном случае не может быть жестких правил, где его ставить. Он должен находиться там, где вам удобнее всего отслеживать происходящее за дверью и разговаривать с вашим гостем. Это может быть прихожая или ваш кабинет, или спальная комната (в этом случае даже не придется подниматься, чтобы открывать входную дверь: поднял трубку, поговорил и нажал на кнопку дистанционного замка).
Монитор можно поставить на стол или повесить на стену. Единственное, что вас может ограничить, это длина сетевого шнура. Поэтому учтите, что рядом должна быть розетка с сетевым напряжением.
Не подключайте два и более мониторов к одной линии одновременно (параллельным соединением). Стандартный видеосигнал имеет амплитуду около 0,7 В, и увеличение нагрузки приведет к потере качества изображения. Если такая необходимость все-таки возникла, то приобретите специальный видеоусилитель-разветвитель и подключайте каждый монитор к отдельному выходу.
Прокладка соединительной линии
Как мы уже говорили в начале этой статьи, к прокладке соединительной линии необходимо отнестись очень серьезно. Правильно проложенная линия – гарантия качественной работы всей видеосистемы.
Если расстояние от панели до монитора небольшое (до 5-7 метров), то линию можно прокладывать обычным проводом, и лучше (как указывалось выше), чтобы это была витая пара. Если расстояние 10-15 метров, то толщина проводов должна быть увеличена до 0,2-0,35 мм². Если же длина линии 30-100 метров, то видеосигнал должен передаваться по коаксиальному кабелю с волновым сопротивлением 75 Ом, а остальные провода находиться в экранированной оплетке.
Соединительная линия прокладывается по плинтусам или за ними. Главное в этом случае, чтобы она не мешала проходу, не бросалась в глаза посетителям и не была случайно оборвана или нарушена во время эксплуатации.
Советы по установке:
- не прокладывайте линию т.н. «телефонной лапшой»;
- не прокладывайте линию вблизи силовых кабелей и мощной электрической проводки. В этом случае в линии могут возникнуть сильные электрические поля (наводка), что сильно ухудшит качество звука и изображения, а при скачках напряжения сети даже может вывести всю систему видеонаблюдения из строя;
- старайтесь всю линию делать из одного целого куска провода. Помните, что соединение нескольких последовательных кусков резко ухудшит сопротивление изоляции, что может давать утечку полезного сигнала.
Установка электрического замка
Замок устанавливается на дверь в соответствии с указаниями в паспорте на него. Опуская здесь описание слесарных работ, приводим только особенности по электрическому подключению самого замка.
Во-первых, питание замка должно производиться от отдельного источника, обязательно имеющего гальваническую развязку с питанием панели и монитора. Не пытайтесь запитать замок от монитора. Его мощность слишком мала, и в лучшем случае просто ничего не будет работать, в худшем – вся система полностью выйдет из строя. Также не стоит подключать панель к источнику питания замка. При включении замка в нем возникают мощные импульсные помехи, которые могут вывести панель из строя. К тому же источник питания замка не стабилизирован по напряжению и имеет разброс в десятки вольт.
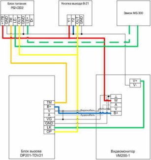
Из видеопанели выходят (как правило) два кабеля: один с четырьмя жилами, другой двухжильный. Для замка нам нужен именно с двумя жилами. Эти два провода – выход коммутирующего реле, т.н. «сухие контакты». Это своего рода выключатель замка. Соединение замка с его блоком питания необходимо производить последовательно с контактами реле.
Во-вторых, при установке замка прочитайте его технические характеристики. Реле панели способно коммутировать постоянный ток силой до 10 А, при напряжении 12 В. Если напряжение больше 12 В, то коммутирующий ток должен быть снижен, в противном случае надежность реле ухудшится, и очень скоро замок перестанет работать.
Соединение и проверка
Теперь все установлено, и осталось только произвести соединения. Не поленитесь и еще раз загляните в руководство по эксплуатации панели и монитора (паспорт). Как правило, все провода, выходящие из панели, имеют различный цвет, что упрощает подключение. Сначала подключите общий провод-«землю», затем плюс питающего напряжения, аудиопровод и в последнюю очередь провод видеосигнала. Все соединения должны быть прочными и надежными. Обязательно пропаяйте их. Дело в том, что со временем места скруток проводов окисляются, и качество контакта ухудшается, а это, в свою очередь, приводит к ухудшению качества работы всей системы. После спайки обязательно заизолируйте места соединений изоляционной лентой или специальной термоусадочной трубкой. Очень полезно перед подключением проверить всю линию связи, т.е. прозвонить ее тестером или мультиметром. Если есть возможность, то замерьте сопротивление линии. Если оно меньше 15-30 Ом, то все в порядке, если больше, то провода слишком тонкие или соединения выполнены плохо.
После проверки соединения проверьте правильность подключения к вашему монитору. Как правило, соединения к монитору производятся «под винт» и легко выполняются обычной отверткой.
Теперь можно включить питание и проверить качество работы аудио- и видеоканалов. Если все в порядке, то окончательно закрепляйте видеопанель на входе, заворачивайте винты крепления, устанавливайте заглушки. Если система работает неудовлетворительно или вообще не работает, то отключите напряжение и проверьте все сначала.
Полезные советы по эксплуатации
Нередко бывает, что если в процессе эксплуатации качество работы домофона вдруг ухудшилось или система вообще перестала работать, первым делом почему-то начинают отворачивать замурованную «насмерть» панель и искать неполадки в ней. Не спешите этого делать. Начните с того, что проще. Сначала проверьте саму линию, может быть, дело в ней (например, обрыв провода, утечка на землю и т.д.), затем проверьте монитор – надежность соединений и питающее напряжение (панель запитывается именно от блока питания монитора). Очень часто импульсный источник монитора выдает завышенное напряжение, что приводит к выходу из строя видеопанели. Проверьте вольтметром напряжение на выходных контактах. Если оно меньше 10,5 В или больше 14,5 В, то виновником является именно монитор. И уж если тут все в порядке, то снимайте панель и несите ее в ремонт, самому, как правило, такое изделие отремонтировать не удается. По оценке специалистов, до 25 процентов присылаемых на ремонт изделий абсолютно исправны, а виновниками оказываются соединительная линия или монитор.
Кстати о ремонте. Постарайтесь хотя бы в течение гарантийного срока сохранить паспорт на изделие и ее фирменную упаковку. В паспорте есть отметка магазина о дате продажи, что подтвердит ваши права на гарантийный ремонт, а фирменная упаковка позволит «доехать» неисправному изделию до сервис-центра и обратно, не получив при этом транспортных повреждений.
Если в процессе эксплуатации качество изображения ухудшилось, стало нерезким или размытым, то не спешите винить саму панель. Дело в том, что она установлена на улице, и пыль, и грязь воздействуют на нее круглые сутки (особенно, если она выходит на улицу). Почистите саму панель пылесосом, а входное отверстие глазка видеокамеры - спиртом. Ни в коем случае не пользуйтесь бензином, одеколоном или растворителем – это повредит линзу объектива.
В заключение хочется сказать, что правильно установленная и смонтированная система видеонаблюдения прекрасно будет работать долгие годы, радуя хозяев своим качеством и обеспечивая надежную защиту.
Журнал "Все о вашей безопасности". - 2003. - № 2.
+7(3842)

НАШ КУРС: 72 за 1$







